MENÜ
Bizi Takip Edin

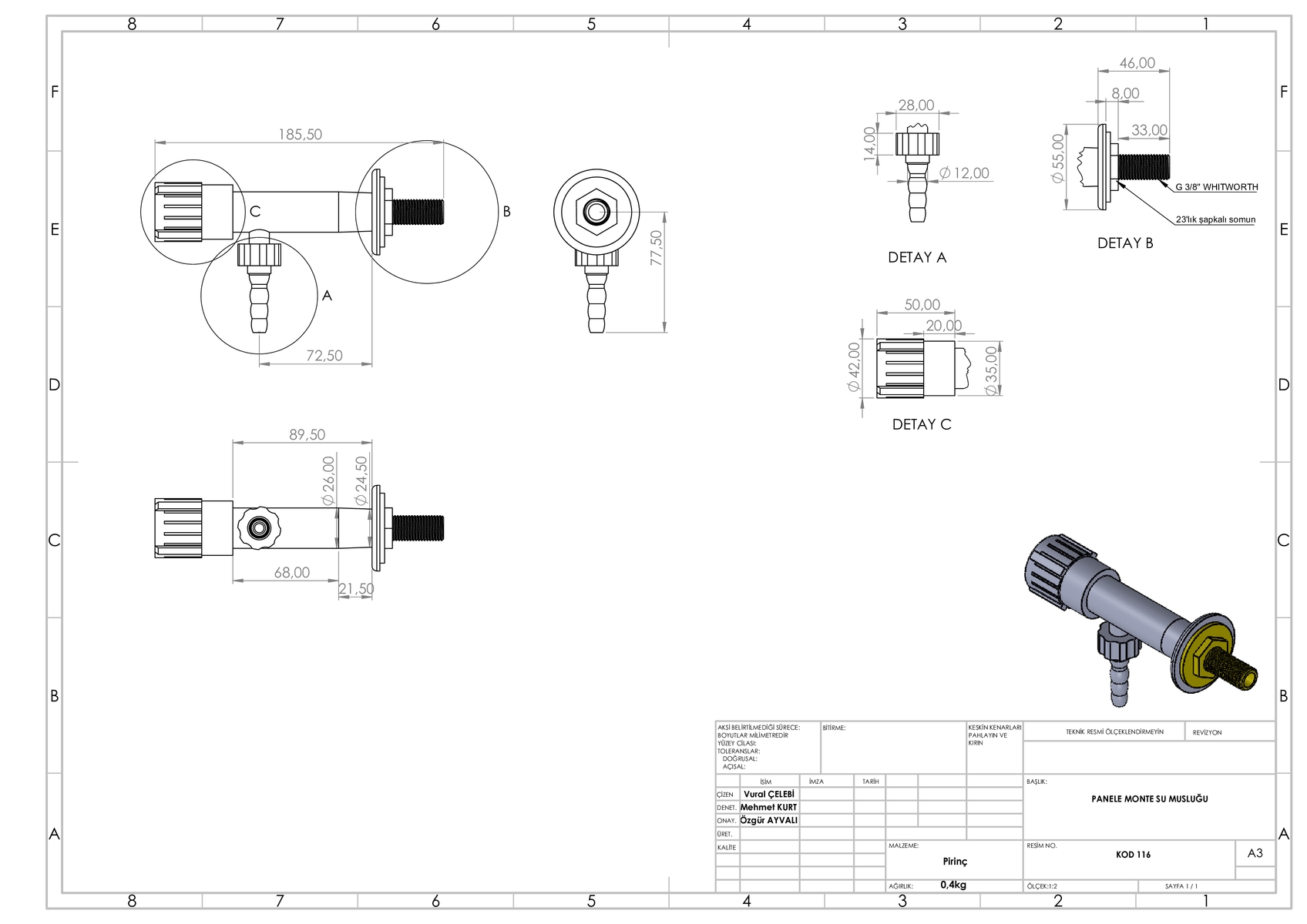
Panele Monte Su Musluğu

  • Ürün Kodu: 116
  • Metal Aksam: PİRİNÇ TS EN 12164
  • Kaplama: EPOKSİ 7001 TOZ FlRlN BOYA
  • Conta: EPDM
  • Yağlama: SLİKON ESASLl
  • Yapıştırıcı: LOCTlTE
  • Plastik: PA6
Labarm su muslukları yerel su şebekesine göre dizayn edilmiştir.
Fittinglerin çalışması ve konfigürasyonu modern bir laboratuvarın ihtiyaçlarını karşılayacak uygunluktadır. Muslukların çoğunun nozzle ‘ si sökülür - takılır tiptedir. Nozzle’lar musluk ağzına döner somun ile takılır, böylece hortumun burulması önlenir.

maksimum çalışma basıncı

kpa kn/m² bar psi
1000 1000 10 147
 
Malzemeler
Labarm laboratuvar fittingleri en iyi kalite pirinçten imal edilmiştir. Kullanımı uygun olan yerlerde plastik gibi diğer malzemeler de kullanılmıştır. Katalogdaki her fittingin karşısında akışkan ile temasta olan malzemeler yazılmıştır.
 
Bütün fittinglerin yüzeyleri epoksi toz fırın boya ile kaplanmıştır.Labarm laboratuvar fittinglerinin avantajı modern bir laboratuvarın ihtiyaçlarına göre özel olarak dizayn edilmiş olmalarıdır.
 
İyi performans, dayanıklılık, kolay kullanım, çeşitlilik ve estetik dizayn ile kolay temizleme ve çekici görünüş gibi özellikleri Labarm fittinglerin neden her türlü laboratuvar için ideal olduklarını tüm açıklığı ile göstermektedir
 
TEKNİK ÇİZİM PDF DOSYA İNDİR